產品介紹
咨詢服務熱線:13957717877
產品概述
資料下載
相關產品
相關資訊


為什么選擇GWS9-W型智能WiFi斷路器? |
1、功能集成度高:融合遠程控制、用電計量與電氣保護于一體,減少額外配置計量或保 護設備的投入。 |
2、操作便捷:通過手機APP即可完成大部分設置與控制,無需現場手動操作,提升管理 效率。 |
3、數據透明化:詳細的用電記錄與實時監測功能,幫助用戶優化用電習慣,實現節能降 耗。 |
4、可靠性與耐用性:電壽命達10000次以上,機械壽命超過100000次,具備穩定的短 路分斷能力(限短路容量500A),響應速度快(分合閘時間<20ms)。 |
GWS9-W型智能WiFi斷路器產品優勢: |
1、智能化管理:支持場景化設置與遠程監控,提升用電管理的靈活性與及時性。 |
2、安全增強:多重電氣保護機制,有效預防因電壓異常、過載、溫度過高等引起的安 全隱患。 |
3、節能輔助:通過用電數據記錄與分析,為用戶提供節能參考,降低長期用電成本。 |
4、安裝適應性強:1P+N結構,額定電流1~40A可調,能滿足不同負載設備的配置需 求。 |
GWS9-W型智能WiFi斷路器產品特點: |
1、遠程智能控制:依托WiFi通信技術,可通過手機APP隨時隨地對斷路器進行分合閘 操作,實現設備遠程管控。 |
2、精準用電計量:實時監測電壓、電流、功率等參數,支持按年、月、日、小時統計 能耗,幫助用戶清晰掌握用電情況。 |
3、多重安全防護:具備過壓、欠壓、過流、過功率及高溫保護等功能,在異常情況下 自動切斷電路,保障用電安全。 |
4、靈活定時與預付費管理:支持自定義定時開關,并可結合預付費模式,方便用于租 賃房、商鋪等場景的用電管理。 |
5、寬電壓與寬溫適應:工作電壓范圍90V~240V,環境溫度適應-25℃~70℃,適用于 多種用電環境。 |
GWS9-W型智能WiFi斷路器產品應用: |
該斷路器適用于家庭、辦公室、商鋪、小型工作室等場景,尤其適合需要對空調、熱 水器、照明系統等電器進行定時控制、用電統計及安全監測的用戶,也可用于公寓、宿 舍等預付費式用電管理。 |

GWS9-W型智能WiFi斷路器技術參數: |
1、產品型號:GWS9-W |
2、額定工作電壓范圍:90V~240V |
3、Poles:1P+N(中性不可開閉) |
4、Max過載電流:63A(3~10)s |
5、額定電流:1~40A電流可調 |
6、通訊方式:涂鴉wifi |
7、工作環境溫度:-25℃~70℃ |
8、Max短路容量:500A |
9、電壽命:≥10000 |
10、機械壽命:≥100000 |
11、關閉時間:<20ms |
12開啟時間:<20ms |
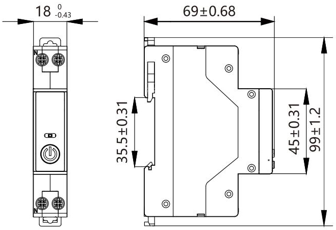
GWS9-W型智能WiFi斷路器產品尺寸: |
|
GWS9-W型智能WiFi斷路器功能參數: |
保護功能 | 跳閘類型 | 參數設置 | 設置 | 默認值 |
| 過電壓保護 | 關閉/報警/ 跳閘 | 過電壓調整 | 250~300V | 280V |
過電壓延遲 | 0~10s | |||
| 欠壓保護 | 關閉/報警/ 跳閘 | 欠壓調整 | 80~200V | 165V |
欠壓延遲 | 0~10s | |||
| 過載保護 | 關閉/報警/ 跳閘 | 過載調整 | 1~63A | 50A |
過載延遲 | 3~10s | |||
| 高溫保護 | 關閉/報警/ 跳閘 | 高溫調節 | 0~120℃ | 80℃ |
高溫延遲 | 0~10s | |||
| 過功率保護 | 關閉/報警/ 跳閘 | 過功率值 | 50w~11Kw | 關閉 |
過功率延遲 | 0~10s | |||

GWS9-W型智能WiFi斷路器聯網操作步驟: | |
一、 | |
應用市場或者APP Store下載涂鴉智能APP并注冊,如果已經有涂鴉智能APP的跳過 此步驟; | |
二、 | |
將火線連接到L,零線連接到N,請接線正確且WIFI信號強。 | |
三、 | |
手機連接wifi,打開藍牙。設備處于配網狀態(LED指示燈閃爍)。如過指示燈不在 閃爍,請重置設備:長按電源按鈕5秒,指示燈閃爍。 | |
四、 | |
單擊APP右上角的”+",然后選擇”添加設備“按 鈕等待發現設備,然后單擊搜索到的設備。 | |
五、 | |
輸入wifi賬戶密碼,然后單擊“下一步”,等待 設備連接到網絡。 |
|
六、 | |
點擊“完成”,設備添加成功,即可手機控制 診斷器。 |
|
第七步 | |
連接成功后,LED指示片將從閃爍閃爍變為藍 色號碼。 |
|
上一個:GIR系列脈沖繼電器
優惠券
我們的微信
13957717877
13957796089