產品介紹
咨詢服務熱線:13957717877
產品概述
資料下載
相關產品
相關資訊


為什么選擇GWS9-DW型智能WiFi斷路器? |
GWS9-DW型智能斷路器適用于注重用電安全、希望實現遠程監控與精細化用電管 理的用戶。其將傳統斷路器的保護功能與智能計量、遠程控制相結合,幫助用戶提升用 電效率,降低安全隱患,尤其適用于租賃公寓、智能家居、商鋪、小型辦公場所及需要 預付費管理的場景。 |
GWS9-DW型智能WiFi斷路器產品優勢: |
1、安全防護:集成多項保護機制,有效預防因電壓異常、過載、溫度過高等引起 的電氣風險。 |
2、管理便捷高效:依托APP實現遠程監控與操作,支持定時與場景化設置,提升用電 管理靈活性。 |
3、能耗透明可視:精確計量與數據記錄功能,助力用戶優化用電習慣,實現節能降耗。 |
4、安裝適應性強:1P+N結構,額定電流1–40A可調,工作溫度范圍-25℃~70℃,適 用于多種用電場景。 |
GWS9-DW型智能WiFi斷路器產品特點: |
1、多重電氣保護:具備過電壓、欠電壓、過載、過流、高溫及過功率保護功能,及時 切斷故障電路,提升用電安全性。 |
2、遠程智能控制:通過APP可實現遠程分合閘操作,支持定時開關與場景模式設定, 方便用戶隨時管理用電設備。 |
3、用電計量與統計:實時監測電壓、電流、功率等參數,記錄小時、日、月及不同時 段用電量,幫助用戶清晰掌握能耗情況。 |
4、預付費功能:支持預付費模式,便于電費管理與成本控制。 |
5、寬電壓適應與高可靠性:額定工作電壓范圍90V–240V,適應多種用電環境;電壽 命≥10000次,機械壽命≥100000次,運行穩定。 |
6、快速響應機制:分合閘動作時間<20ms,在異常情況下迅速響應。 |
GWS9-DW型智能WiFi斷路器產品應用: |
1、住宅與公寓:實現家庭電路遠程控制、用電統計與安全防護。 |
2、商業場所:用于店鋪、辦公室的電器定時開關與用電監控。 |
3、租賃住房:支持預付費模式,方便電費管理與遠程控制。 |
4、小型設施:適用于需要電路保護和用電分析的各類低功率設備場景。 |

GWS9-DW型智能WiFi斷路器產品參數: |
1、產品型號:GWS9-DW |
2、額定工作電壓范圍:90V~240V |
3、Poles:1P+N(中性不可開閉) |
4、Max過載電流:63A(3~10)s |
5、額定電流:1~40A電流可調 |
6、通訊方式:涂鴉wifi |
7、工作環境溫度:-25℃~70℃ |
8、Max短路容量:500A |
9、電壽命:≥10000 |
10、機械壽命:≥100000 |
11、關閉時間:<20ms |
12、開啟時間:<20ms |
13、顯示屏:液晶 |
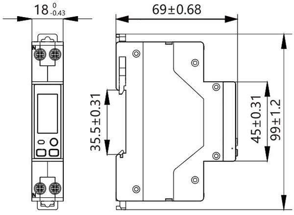
GWS9-DW型智能WiFi斷路器產品尺寸: |
|
GWS9-DW型智能WiFi斷路器功能參數: |
保護功能 | 跳閘類型 | 參數設置 | 設置 | 默認值 |
| 過電壓保護 | 關閉/報警 /跳閘 | 過電壓調整 | 250~300V | 280V |
過電壓延遲 | 0~10s | |||
| 欠壓保護 | 關閉/報警 /跳閘 | 欠壓調整 | 80~200V | 165V |
欠壓延遲 | 0~10s | |||
| 過載保護 | 關閉/報警 /跳閘 | 過載調整 | 1~63A | 50A |
過載延遲 | 3~10s | |||
| 高溫保護 | 關閉/報警 /跳閘 | 高溫調節 | 0~120℃ | 80℃ |
高溫延遲 | 0~10s | |||
| 過功率保護 | 關閉/報警 /跳閘 | 過功率值 | 50w~11Kw | 關閉 |
過功率延遲 | 0~10s | |||

GWS9-DW型智能WiFi斷路器操作步驟: | |
一、應用市場或者APP Store下載涂鴉智能APP并注冊,如果已經有涂鴉智能APP的跳過 此步驟; | |
二、將火線連接到L,零線連接到N,請接線正確且WIFI信號強。 | |
三、手機連接wifi,打開藍牙。按2下產品上 “ |
|
四、單擊APP右上角的”+”,然后選擇”添 加設備“按鈕等待發現設備,然后單擊搜索 到的設備。 | |
五、輸入wifi賬戶密碼,然后單擊"下一步” ,等待設備連接到網絡。 |
|
六、點擊”完成”,設備添加成功。即可手 機控制斷路器 |
|
七、連接成功后。LED指示燈將從閃爍藍色 變為藍色長亮。 |
|
上一個:GWS9-W型智能WIFI斷路器
優惠券
我們的微信
13957717877
13957796089