產品介紹
咨詢服務熱線:13957717877
產品概述
資料下載
相關產品
相關資訊


為什么選擇CR系列金屬按鈕鑰匙急停系列按鈕信號燈? |
在工業環境中,控制元件的可靠性、安全性和使用壽命至關重要。CR系列產品專為應 對嚴苛的工業環境而設計,從核心材料到結構細節都體現了對品質的追求。選擇CR系列, 意味著為您的設備選擇了經久耐用、響應精準且安裝便捷的控制部件,有效提升整個系統 的穩定性和安全性。 |
CR系列金屬按鈕鑰匙急停系列按鈕信號燈產品優勢: |
1、超薄設計與大功率: 產品采用超薄型設計,節省安裝空間,同時具備大功率驅動能 力,信號清晰明亮,操作穩定有力。 |
2、金屬頭部,堅固耐用: 按鈕頭部關鍵部件采用高品質金屬材料(不銹鋼/黃銅鍍鎳/鋁 氧化),提升了產品的抗沖擊、抗磨損和抗破壞能力,延長了使用壽命。 |
3、科學結構,美觀安全: 結構設計科學合理,外形簡潔美觀,整體抗破壞性強,能夠抵 御日常使用中的意外撞擊和油污侵蝕。 |
4、安裝便捷,通用性強: 提供16mm、19mm、22mm三種標準安裝口尺寸,覆蓋主流 安裝需求,與大多數控制面板兼容,方便選型與更換。 |
5、操作方式靈活: 支持自復式(按下后自動復位)和自鎖式(按下后鎖定,再次按下復 位)兩種操作類型,可滿足不同場景下的控制邏輯需求。 |
CR系列金屬按鈕鑰匙急停系列按鈕信號燈產品特點: |
1、高可靠性: 金屬材質與嚴謹工藝了產品在頻繁操作下依然能保持穩定的性能。 |
2、出色的安全性: 特別是急停按鈕部分,結構可靠,響應迅速,符合緊急停止功能的安 全要求。 |
3、環境適應性強: 金屬外殼具有良好的耐腐蝕性,適用于多種復雜的工業環境。 |
4、廣泛的適用性: 豐富的類型、操作方式和安裝尺寸,使其能夠靈活應用于各種自動化 設備和控制系統。 |
CR系列金屬按鈕鑰匙急停系列按鈕信號燈產品應用: |
CR系列產品廣泛應用于需要精密控制和可靠指示的工業場合,包括但不限于: |
1、工業自動化設備: CNC數控機床、注塑機、包裝機械、自動化生產線。 |
2、控制系統柜: 電力控制、過程控制、設備操作臺的面板。 |
3、重型機械: 工程機械、紡織機械、食品加工機械。 |
4、其他: 任何對操作元件有高耐用性、高安全性和長壽命要求的工業領域。 |

CR系列金屬按鈕鑰匙急停系列按鈕信號燈型號說明: |
安裝 直徑 | 接線 方式 | 頭部 形狀 | 開關 組合 | 頭部 類型 | 發光 類型 | 發光 顏色 | 帶燈 電壓 | 外殼 材質 |
| φ6 φ8 φ10 φ12 φ16 φ19 φ22 φ25 φ28 φ30 | A插腳型 B接線柱 | P:平圓形 斜面外殼 G:高平圓形 斜面外殼 Q:球型斜面外 殼 | 1NO-10: (No為常開觸頭) 11: 為1NO1NC 22: 為2NO2NC | 無:自復 D:帶燈 EZ:帶燈自鎖 Z:自鎖 X2:兩位旋鈕 X3:三位旋鈕 Y2:兩位鑰匙鈕 Y3:三位鑰匙鈕 M:蘑菇鈕 ZS:緊急鈕 | D:單點 E:環形 DY:電源符號 | ![]() | (AV/DC,V) 6 12 24 220 | S:不銹鋼 N:黃銅鍍鎳 A:鋁氧化 |
CR系列金屬按鈕鑰匙急停系列按鈕信號燈開關額定負載:
|
項目 | 參數 | |||||
額定絕緣電壓Ui | AC250V | |||||
發熱電流Ith | 4A | |||||
額定電壓(V) | DC6V | DC12V | DC24V | DC36V | DC48V | AC220V |
額定電流(A) | 4 | 3 | 2.5 | 2 | 2 | 3 |
CR系列金屬按鈕鑰匙急停系列按鈕信號燈開關結構說明: |
觸頭示意圖 |
|
單組由三只插腳組成,雙組由六只插腳組成,單點快動通斷觸頭 |
CR系列金屬按鈕鑰匙急停系列按鈕信號燈LED燈珠參數: |
項目 | 參數 | |
燈珠類型 | 高亮度LED燈珠,冷色 | |
額定電壓 | AC/DC:6V,12V,24V,220V | |
額定電流 | ≤20mA | |
| 降壓方式 | 單色發光內置雙電阻降壓 | |
單色發光電路圖: (不分正負)
| o+是指雙色燈公共端,電源為正 , R-是指雙色燈電源為負 G-是指雙色燈電源為負
注:在電流電壓下才可以使用, 高電壓為60V 可訂制雙正雙色燈。 | |
參考壽命 | 40000小時(參考值) | |
CR系列金屬按鈕鑰匙急停系列按鈕信號燈其他參數: |
項目 | 參數 |
開關型式 | 快動單觸點 |
接觸電阻 | ≤50mΩ |
絕緣電阻 | ≥1000MΩ |
絕緣強度 | 2000VAC |
環境溫度 | -25℃~+55℃ |
電器壽命 | 5萬次以上 |
機械壽命 | 50萬次以上 |
防水等級 | IP65 |
防爆等級 | lk10(針對金屬材質) |
操作壓力 | 2.5~4.5N |
操作行程 | 接通約2mm,總行程約3mm |
螺母扭矩 | 5~14N.m |
外殼 | 不銹鋼/黃銅鍍鎳/鋁合金氧化/塑料 |
按鍵 | 不銹鋼/黃銅鍍鎳/鋁合金氧化/塑料 |
基座 | 鋁氧化 |
觸點 | 銀合金 |
CR系列金屬按鈕鑰匙急停系列按鈕信號燈內部IP防塵、防水結構: |
|
CR系列金屬按鈕鑰匙急停系列按鈕信號燈外部O型密封圈安裝方法: |
|
CR系列金屬按鈕鑰匙急停系列按鈕信號燈實樣激光刻穿發光效果圖: |
|

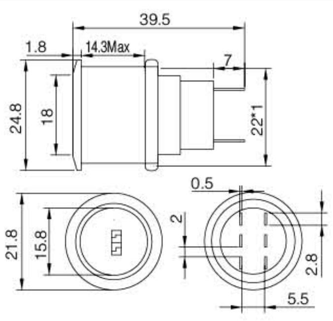
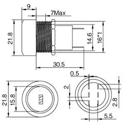
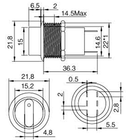
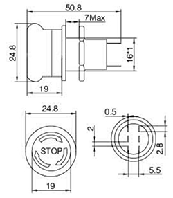
CR系列金屬按鈕鑰匙急停系列按鈕信號燈產品選型: |
產品圖形 | 產品參數 | 外形尺寸圖 |
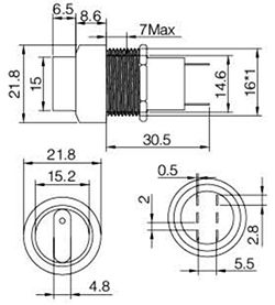
| 產品型號:CR16-11X 安裝孔尺寸:φ16mm 開關組合:1NO 1NC/2NO 2NC 操作類型:自復式、自鎖式 外殼材料:不銹鋼/黃銅鍍鎳/鋁氧化 |
|
| 產品型號:CR16-11Y 安裝孔尺寸:φ16mm 開關組合:1NO 1NC/2NO 2NC 操作類型:自復式、自鎖式 外殼材料:不銹鋼/黃銅鍍鎳 | ![]() |
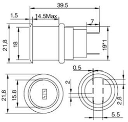
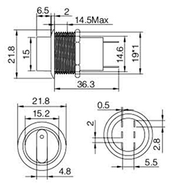
| 產品型號:CR19-11X 安裝孔尺寸:φ19mm 開關組合:1NO 1NC/2NO 2NC 操作類型:自復式、自鎖式 外殼材料:不銹鋼/黃銅鍍鎳 | ![]() |
| 產品型號:CR19-11Y 安裝孔尺寸:φ19mm 開關組合:1NO 1NC/2NO 2NC 操作類型:自復式、自鎖式 外殼材料:不銹鋼/黃銅鍍鎳 | ![]() |
| 產品型號:CR22-11X 安裝孔尺寸:φ22mm 開關組合:1NO 1NC/2NO 2NC 操作類型:自復式、自鎖式 外殼材料:不銹鋼/黃銅鍍鎳 /鋁氧化 |
|
| 產品型號:CR22-11Y 安裝孔尺寸:φ22mm 開關組合:1NO 1NC/2NO 2NC 操作類型:自復式、自鎖式 外殼材料:不銹鋼/黃銅鍍鎳 |
|
| 產品型號:CR16-11ZS 安裝孔尺寸:φ16mm 開關組合:1NO 1NC/2NO 2NC 操作類型:自復式、自鎖式 外殼材料:不銹鋼/黃銅鍍鎳 /鋁氧化 |
|
| 產品型號:CR19-11ZS 安裝孔尺寸:φ19mm 開關組合:1NO 1NC/2NO 2NC 操作類型:自復式、自鎖式 外殼材料:不銹鋼/黃銅鍍鎳 /鋁氧化 |
|
| 產品型號:CR22-11ZS 安裝孔尺寸:φ22mm 開關組合:1NO 1NC/2NO 2NC 操作類型:自復式、自鎖式 外殼材料:不銹鋼/黃銅鍍鎳 /鋁氧化 |
|
![]() | 產品型號:CRB22-11ZS 安裝孔尺寸:φ22mm 開關組合:1NO 1NC/2NO 2NC 操作類型:自復式、自鎖式 外殼材料:不銹鋼/黃銅鍍鎳 /鋁氧化 |
|
優惠券
我們的微信
13957717877
13957796089